銷售電話:15863691020
銷售Q Q:2538305187
公司郵箱:2538305187@qq.com
公司地址:山東省濰坊市高新區光電路155號光電產業加速器(一期)
農業氣象站先行者 新農業設備優質供應商
打造智慧農業設備馳名品牌
銷售電話:15863691020
銷售Q Q:2538305187
公司郵箱:2538305187@qq.com
公司地址:山東省濰坊市高新區光電路155號光電產業加速器(一期)

探針式土壤墑情傳感器廠家風途科技是專業探針式土壤墑情傳感器生產廠家,強大的研發技術團隊掌握探針式土壤墑情傳感器研發技術,儀器檢測結果準確,安裝方便快速,深受消費者青睞!
一、探針式土壤墑情傳感器技術指標
探針式土壤墑情傳感器又稱針式土壤水分傳感器,探針式土壤墑情傳感器可測定土壤水分含量、溫度,通過測定土壤的介電常數來確定含水量。
1.供電:DC12V
2.功耗:小于0.1W
3.工作溫度:-30~70℃
4.通信接口:RS485
5.工作電流:8mA DC12V
6.最短數據間隔:60S
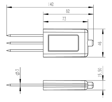
二、探針式土壤墑情傳感器產品尺寸圖

三、探針式土壤墑情傳感器使用注意事項
1.傳感器安裝應嚴格按照安裝使用說明書進行。
2.多個傳感器同時工作時,必須間隔5米以上距離。
3.傳感器測量原理限制,傳感器測量地為中心半徑5米范圍內不應有電磁線纜和強磁輻射干擾,
避免造成傳感器測量的巨大誤差和損壞。
4.傳感器的安裝環境應該符合傳感器的測量范圍,避免超量程等不規范行為。
5.傳感器安裝應避開強酸強堿、重油污重金屬環境進行。
6.傳感器為土壤測量傳感器,禁止將本傳感器對其他行為。
7.傳感器安裝環境不能有強振動。
8.傳感器不能有過強外力作用。
9.禁止拆卸,私自拆卸將不提供任何服務。
10.傳感器探針較為鋒利,使用時應按規定注意佩戴護具。
11.設備使用和維護應嚴格按照上述注意事項進行,如有違規使用的行為,本司不承擔相關負責。
四、探針式土壤墑情傳感器傳感器參數
| 參數 | 測量范圍 | 精度 | 分辨率 | 單位 |
| 土壤溫度 | -30~70℃ | ±0.3(-10~50℃) | 0.01 | ℃ |
| 土壤含水率 | 0~100% | ±3%(壤土)高有機質土壤(土壤有機碳含量>12%)高粘粒含量土壤(粘粒含量>45%)由于其介電弛豫特性,可能需要針對特定土壤類型進行標定 | 0.01% | --- |
水肥一體化智能灌溉系統價格是多少?
氣象監測站是一種用于監測和記錄氣象數據的設施。通常由氣象站房、氣象儀器、氣象觀測塔等組成。氣象監測站···
全自動農業氣象站作為一種室外工作、全天候裸露于自然條件中的氣象設備需要嚴格把控。與此同時,為促進農業···
為了實現這一目標,將農業氣象監測站部署到每一個管理區是必要的。
小型農業氣象站在此情形下,成為保障農業穩定發展的關鍵利器。
農業氣象站對農民有什么幫助?農業氣象站的建設對農民有什么幫助?這是一個值得討論的話題。任何儀器的誕生···